武汉华德林科技有限公司
Wuhan Huadelin Science Co.Ltd

武汉电话:027-86976669
鞍山电话:13817760448
一体插入式氧含量仪
(YHL一4C)
产品使用说明书
武汉华德林科技有限公司
一.安全使用注意事项
1.在使用仪器之前,请仔细阅读该操作手册。
2.产品的使用和安装,必须严格按照国家标准和指定的工作规程。
3.产品保修期为 12 个月。用户在使用中应遵守使用规范,任何人为损坏或非正常使用,不在保 修范围之内。
4.维修仪器或更换部件时必须选用我公司的原装部件,并在本公司授权下由专业人员进行操作。
5.用户不得自行拆卸或旋转传感器部件。如传感器内部的电解液泄漏到皮肤上或眼睛中,应迅速 用水连续冲洗接触部位 10 分钟。
6.正常情况下,每 12 个月需要对仪器做一次校准操作;如接触到高浓度气体,为保证仪器测量 准确,应立即进行一次校准操作;
7.当现场粉尘较多时,仪器下方的隔爆容易被杂质堵塞,影响检测的灵敏度,请务必定期清理(用 低压压缩空气吹扫)。
8.请用户妥善保管好说明书, 以便今后随时查用。
二.概述
固定式气体探测器,又称在线式气体探测器或在线式气体采集变送器。
仪器广泛应用于冶金、石化、油探油储、化学化工、船舶、电力、矿场等行业。产品采用模块化 设计,具有智能化传感器检测技术,整体隔爆,采用墙壁式安装方式。
仪器符合国家标准 GB3836.1-2010《爆炸性环境 第 1 部分:设备 通用要求》、GB3836.2-2010 《爆炸性环境 第 2 部分:由隔爆外壳“d ”保护的设备》标准;防爆标志为ExdⅡCT6Gb,它适用于 含有 IIA~IIC 类,T1~T6 温度组别爆炸性气体混合物 1 区、2 区爆炸危险场所。
三.参数
量程:0-25%vol (可根据需求订制)
示值误差: ≤±3%FS 重复性: ≤ 5%
零点漂移:<±2%(F•S) /6h 工作温度:-20~+50℃
环境湿度:<90%RH
传感器寿命:2-3 年(正常大气环境下) 检测方式:扩散式
工作方式:在线式、连续工作 工作电压:12~24V DC
工作电流:氧气及有毒气体<50mA(Max) 可燃性气体<150mA(Max)
输出信号:4~20 mA 标准电流环信号输出;RS485 总线型标准信号输出;
外型材质:压铸铝
重量: 有显示≤1.5kg
连接距离:>500m
防护等级:IP65
安装方式:墙壁式/插入式
防爆形式:隔爆型
防爆等级:Ex dII CT6
外型材质:压铸铝
重量: 有显示≤1.5kg
连接距离:>500m
防护等级:IP65
安装方式:墙壁式/插入式
防爆形式:隔爆型
防爆等级:Ex dII CT6
四.安装
4.1. 选择安装位置
为了达到最佳的检测效果,必须将固定式气体探测器安装在正确的检测位置上。 需要综合考虑以下因素才能确定正确的安装位置:
1)气体泄漏点的密度、被测气体的比重,
2)周围建筑物的影响,
3)生产设备的新旧程度、风向及常年的气象情况等,
4)在室内还要考虑门窗的位置。 选择指南:
1)仪器与被测气体可能泄漏点要保持适当的距离。太近反应速度快,但如果泄漏频繁,可能报 警次数过多,或长期处于报警状态使人麻痹。
2)仪器要安装在泄漏点的下风向。
3)在室内安装时,如果泄漏源在室外,仪器要安装在进风口处。
4)要根据被测气体与空气的比重来确定安装的高度。当泄漏气源比重较重时,安装高度较低; 当泄漏气源比重较轻时,安装高度较高。
5)要根据被测气体可能泄漏点的情况,人员出现的频率和停留时间,选择仪器的数量, 以达到 最佳的经济效果。
6)如果设备陈旧可考虑增加被测点。
7)仪器要防止受高温热源的辐射,过高的温度或过低的温度都会影响传感器的使用效果及寿命。
4.2. 安装步骤
1.使用螺栓、螺帽将变送器固定在安装支架上。
1 在变送器在上方和左右两侧共计有三个固定孔。安装人员先使用三组螺栓、螺帽将变送器安装 在安装支架上。
2.变送器的打开、接线安装步骤。
2 旋下(逆时针方向旋动)变送器上盖;
3 旋下(逆时针方向旋动)压紧螺母、取出防水橡胶塞;
4 将电缆线从压紧螺母、防水橡胶塞中穿过引入变送器内部;
5 确定所购变送器的通讯类型,参照第 5 章节的具体接线说明,正确接线(该过程必须认真仔细, 错误的连接将有可能导致变送器损坏)。检查连接牢固后,将壳体中多余电缆线抽出,锁紧进线口的压 紧螺母。如果采用的电缆较细,请加绕生胶带,将电缆增粗,保证压紧螺母拧紧和不 会有空隙;
6 检查各环节可靠无误后,将前盖拧紧(密封圈放正、压紧、盖与壳体不要有缝隙)。
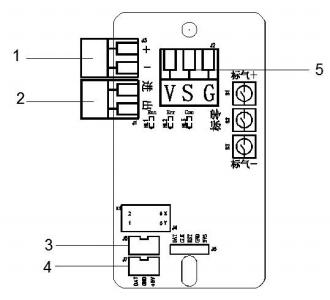
五.端子及接线
5.1. 端子定义
根据用户订购的固定式气体探测器通信方式或信号输出方式的不同,接线端子排列会有所不同。以 下是各端子符号的详细含义:
|
标识 |
V |
S |
G |
A+ |
B- |
|
意义 |
电源线正极 |
4~20 mA 正极 |
电源负极 4-20mA 负极 |
RS485+ |
RS485- |
|
变送器端子及信号示意图 |
|
|
|
|
1.声光报警器接口 2.继电器接口 3.显示板接口 4.传感器模块接口 5.24V 电源和 4-20mA 电流环通 讯接线端子或者 485 接口 |
|
5.1.1.继电器接线方式
继电器规格:1A 240VAC/30VDC(注:大功率设备需加中间继电器)
仪器所提供的继电器为无源继电器,可以分别采用内部和外部两种供电方式,接线方式如下:
采用变送器内部 DC12~24V 供电接线方法 采用外部电源供电接线方法
5.1.2. 声光报警器接线方式
6.按键标定及说明
注:只有无显示板的情况下,才可采用按键开关进行标定。有显示板时,请采用显示板菜单标定。
零点标定
长按标零键约 2 秒,3 个 LED 灯同时闪烁,3 秒后,LED 灯恢复正常,标零成功。
灵敏度标定
注:在未通入标准气的状态下进行按键标定,标气会失败。
通入仪器对应标准气,长按标气+或标气-,运行灯(Run)变为长亮,此时进入标气状态。按 1 次 标气+,浓度值增加 3,HL2 灯闪烁 1 次;按 1 次标气-,浓度值减少 2,HL2 灯闪烁 1 次;60 秒未按标气 +或标气-,则退出标气状态,运行灯(Run)恢复正常闪烁。
7. LOGO 显示及菜单说明(选配功能)
7.1. 开机界面
系统开机后将显示 LOGO 开机界面。
LOGO 开机界面必须是 160*128 大小的图片。
用户使用更佳公司提供的配置软件,可以将自定义的开机图片下载到显示板中。
7.2. 巡检界面
LOGO 开机界面显示完成后,将逐个显示设备工作的主要参数,依次如下 1.“版本日期 ”:软件版本号及软件生成的日期
2.“气体类型 ”:本机检测的气体类型
3.“气体量程 ”:气体传感器的量程,即额定最大检测浓度值 4.“高报警值 ”:气体浓度达到该值会产生高报
5.“低报警值 ”:气体浓度达到该值会产生低报 6.“开关量 ”: 表示继电器或 IO 输出方式
7.“接口类型 ”:表示变送板的工业接口类型,如 4~20mA、RS485
7.3. 实时界面
显示板在没有任何操作的情况下显示实时浓度
![]()
实时界面还可以显示气体的类型、气体单位、气体传感部位的温度值和气体 浓度曲线。
”键将进入操作菜单。
7.4 菜单界面
1.显示板出厂,握手码默认处于关闭状态。开机处于浓度界面时,按“
”即可进入“菜单 ”界面。
2.当用户需要此功能时,该功能可以通过菜单操作进行开启。当开启握手码 时,每一个显示板都有一个特定的握手码,用于多探头现场下针对指定探头进行 一对一操作。
当握手码功能打开时,将先进入握手码页面,输入目标设备显示板上的提示 数字,即可进入设备“菜单 ”界面。
主菜单条目如下:
1.设置 2.查询 3.标零
4.标气
5.开关量
按下“
/
”键,菜单切换到下一条目 ; 到达最后一个条目后,将重新从首条条目开 始。
按下“
”键,将会进入到所选择的菜单,并显示对应的参数或数值按下“
”键,将会返回测 量状态(显示测量数据)
7.4.1 设置
菜单的设置界面包括:高报警值、低报警值、分辨率、量程、通信 ID、波特率(电流环无通信 ID 与波特率)。每一项功能都可以进行修改参数值。
操作如下
用户具有编辑该项属性的权限 按“
”键进入该菜单
按“
”/“
”键菜单切换到下一条目 ; 到达最后一个条目后,将重新从首条条目开始。 按“画 ”键被修改的位下划线将开始闪烁,表示已经进入编辑状态.
此 时 用 户 可 使 用 数 字 键 盘 “
”或 者“
”/
修改参数值。
按下“
”/“
”键切换到下一个被修改位。
修改完成之后,按下“
“放弃修改;按下“
”键之后保存修改。并返回参数正常显示状态。
7.4.2. 查询
进入菜单查询界面,将显示变送板的参数信息查询
按
”键,进入参数查询界面,可按“
|
1. 开关量1~4 2. 通信ID 3. 气体 4. 接口 |
继电器或IO输出方式 设置传感器板ID值 气体类型 变送板的工业接口类型 |
”键,依次查询产品的参数信息。
|
5. 量程 |
气体浓度测量范围值 |
|
6. 单位 |
气体单位 |
|
7. 高报警 |
高报警值 |
|
8. 低报警 |
低报警值 |
|
9. 零点值 |
传感器零点值 |
|
10. 分辨率 |
显示浓度页面气体浓度值的小数位数 |
|
11. 传感器 |
传感器品牌 |
按“
”/“
”键菜单切换到下一条目;到达最后一个条目后, 将重新从首条条目开始。 查询参数信息后,可按“
”键,回到查询界面
7.4.3. 标零
仪器出厂时零点已经调校合格,用户不需要在做校正。当仪器使用一段时间后 或认为有必要对其重新调整时,校验工作必须由专业人员,在干净的空气中进行。
用户具有编辑该设置的权限:
1).菜单状态按下“
”键,将显示标零提示,并显示气体零点值, 提示
等待标零。
再次按下
”键,进入10秒倒计时页面,倒计时结束出现“标零成功 ”提示页面。完成标零,
返回正常工作显示状态。
按
”键中止操作或放弃修改,并返回上一级菜单页面。
7.4.4. 标气
仪器出厂时该项已经调校合格,用户不需要再做校正。当仪器使用一段时间 后或认为有必要对其重新调整时,校验工作必须由专业人员进行。
仪器菜单状态下按下”键,出现数值,该数值是默认的标准气浓度。
按“
”键,进入标准气浓度值修改页面,被修改位下划线将开始闪烁, 此时用户按“
/
按
”键或者数字键盘“
” 对闪烁位参数值进行修改,按“
”/“
” 键切换到
下一个要被修改位。
修改完成之后 ,按下 “
”键 ,进入标气20秒倒计时页面并出现AD 值变化曲线,倒计时结束
出现标气“标气成功 ”提示气体标定已经完成。完成标气后,返回正常工作显示状态。
在以上操作进行中均可按“”键中止操作或放弃修改,并返回上一级菜单页面。
7.4.5. 开关量
进入该菜单后显示开关量1~4 继电器或IO输出方式
按 下 “回 ”键进入 该菜单 , 显示默认开 关量 , 按
按 “ ”键 进 入 修 改 模 式 下 划线 开 始 闪 烁 ,按 “
” /“
”选择“ 电 平 ”/“脉冲 ”。
修改完成后,按下“
”键保存,返回正常工作显示状态。
在以上操作进行中均可按“
”键中止操作或放弃修改,并返回上一级菜单页面。
注:在基础菜单界面的开关量 1~4“脉冲 ”选项下不可设置脉冲时间。
8. 超级菜单
进入超级菜单,需先进入基础菜单界面。任意按一个数字,将会提示:(请输入 超级菜单密码):然后直接输入密码进入到超级菜单界面。
开关量气体参数浓度页面电流环系统设置传感器 ID AD 列表
恢复出厂
8.1. 开关量
超级菜单的开关量页面包括:脉冲宽度、间歇时间、动作类型、 自检时间。每一项功能都可以进 行修改参数值。
操作如下:
按下 “
”键进入 该菜单 , 显示默认 出 厂值 , 按 “
”/“
”键选择需要修改的条目。按“
”键进入修改模式下划线开始闪烁,按“
”/“
”选择所需要的选项。 修改完成后,按下“
”键保存,返回正常工作显示状态。
在以上操作进行中均可按“
”键中止操作或放弃修改,并返回上一级菜单页面。
8.2. 气体参数
超级菜单的气体参数页面包括:气体单位、正常区间、归零启用、归零值、 准备时间、无气标定、高报启用、低报启用。每一项功能都可以进行修改参数
值。
操作如下:
1)按“
”键进入该菜单,显示默认出厂值,按“
”/“
” 键选择需要修改的 条目。
2)按“
”键进入修改模式下划线开始闪烁,按“
”/“
”键选择所需要的选项。
3)修改完成后,按下“
”键保存,返回正常工作显示状态。
在以上操作进行中均可按“
”键中止操作或放弃修改,并返回上一级菜单页面。
8.3. 浓度页面
超级菜单的浓度页面包括:曲线、气体、单位、温度、字体。每一项功能都可 以进行修改显示结果。
操作如下:
1)按下”
”键进入该菜单,显示默认出厂值,按 “
”/”
”选择需要修改的条目。
2)按”画 ”键进入修改模式下划线开始闪烁,按 “
”/“
”键选择开或者关。
3 修改完成后,按下“
”键保存,返回正常工作显示状态。
在以上操作进行中均可按“
”键中止操作或放弃修改,并返回上一级菜单页面。
8.4. 电流环
超级菜单的电流环页面包括:微调电流,输出电流。每一项功能都可以进行修改 参数值。
4~20mA 标准电流环信号输出,用 4mA 表示零刻度,用 20mA 表示满刻度操作如下:
1)按下“
”键进入该菜单 ,显示默认出厂值,按键选择要修改的条目。
2)按“
”键进入修改模式,按 “
”/“
”确定“微调电流 ”或者“输出电流 ”的值。
3)修改完成后,按下“
”键保存,返回正常工作显示状态。
在以上操作进行中均可按“
”键中止操作或放弃修改,并返回上一级菜单页面。
8.5. 系统设置
超级菜单的系统设置页面包括:握手码,菜单超时,关灯时间。每一项功能都 可以进行修改参数值。
操作如下:
1)按 “
”键进入 该菜单 ,显示默认出厂值 ,按 “
”/“
”键选择需要修改 的条目。
2)按“
”键进入修改模式下划线开始闪烁,按“
”/“
”选择所需要的选项。
3)修改完成后,按下“
”键保存,返回正常工作显示状态。
在以上操作进行中均可按“
”键中止操作或放弃修改,并返回上一级菜 单页面。
8.6. 传感器 ID
进入该菜单项后,显示传感器的默认 ID号操作如下 :
1)按下“
”键进入该菜单,显示默认出厂值。
2)按“
”键进入修改模式下划线开始闪烁,按“
”/“
”确定传感器ID的具体数值。
3)修改完成后,按下“
”键保存,返回正常工作显示状态。
在以上操作进行中均可按“
”键中止操作或放弃修改,并返回上一级菜单页面。
8.7 AD 列表
1) 按下“
”键进入该菜单,显示当前浓度 AD 值以及温度 AD 值。
2) 按下“
”键即可返回上一级菜单页面。
8.8 恢复出厂
1)按下“
”键进入该菜单。
2)按“
”键,恢复标定的出厂设置
在以上操作进行中均可按“![]()
”键中止操作或放弃修改,并返回上一级 菜单页面。
9. 产品成套性
|
1) 固定式气体探测器 |
一台 |
|
2) 使用说明书 |
一本 |
|
3) 产品合格证 |
一张 |
|
4) 声光报警器 |
可选 |
|
10. 常见故障及维修 |
|
|
故 障 |
原 因 |
处理方法 |
|
仪器无输出 |
导线接错 |
重新接好 |
|
电路故障 |
返回本公司修理 |
|
|
无气体时有读数 |
零点漂移 |
重新零点标定 |
|
电路故障 |
返回本公司修理 |
|
|
主机读数偏低 |
放大倍数过低 |
重新量程标定 |
|
传感器失效 |
更换传感器 |
|
|
主机读数偏高 |
放大倍数过高 |
重新量程标定 |
|
传感器失效 |
更换传感器 |
|
|
主机读数不稳 |
稳定时间不够 |
开机等待 |
|
传感器失效 |
更换传感器 |
|
|
电路故障 |
返回本公司修理 |
|
|
干扰 |
检查仪器接地是否良好 |
|
|
响应时间变慢 |
灰尘堵塞探头 |
清理仪器灰尘,保持探头清洁 |
|
传感器失效 |
更换传感器 |
|
|
电路故障 |
返回本公司修理 |
武汉华德林科技有限公司
电 话:027-86976669
传 真:027-86976673
公司地址:武汉市阳逻开发区高新路 68号
总公司网页: http://www.whhdlkj.com
http://www.hdl69.com
武汉华德林科技有限公司
联 系 人 : 汪 林
电 话 : 027-86976669
传 真 : 027-86976673
手 机 : 18971536297
邮 箱 : hdlkj69@163.com
公司地址 : 武汉市阳逻开发区高新路 68号
华德林科技(鞍山)有限公司
联 系 人 : 林 博
电 话 : 0412-7130318
传 真 : 0412-7130318
手 机 : 13817760448
邮 箱 : hdlkj69@163.com
地 址 : 辽宁省鞍山市铁西区陶官街39号
华德林科技(上海)有限公司
联 系 人 :朱杨华
手 机 : 15827384004
邮 箱 :hdlkj69@163.com
地 址 :上海市宝山区沪太路(宝山工业园)
华德林科技(雄安)有限公司
联 系 人 :叶焰桥
手 机 : 13377865700
邮 箱 :hdlkj69@163.com
地 址 :雄安新区雄县雄州路58号
版权所有:武汉华德林科技有限公司 企业官网 鄂 ICP备1703845号
网址:www.whhdlkj.com www.hdl69.com 邮箱:hdlkj69@163.com
电话:027-86976669 传真:027-86976673